Wechselblinker 12v Schaltplan
- Kann direkt in 5V 9V 12V 24V Stromkreis arbeiten. Details Zu Blinkgeber Blinkrelais Traktor Trecker Oldtimer Blinker Relais 12v 4x21w 3x2w.

Wechselblinker Schaltung Mit Ne555p Timer Instructables
Bahnübergang mit Wechselblinker Teil 1.
Wechselblinker 12v schaltplan. Hella Elektronischer Blinkgeber 4 Polig 12 V 1080381. Und auf die Frage wo ihr das gekauft habt könnt ihr mit einem Schulterzucken Antworten habe ich selber. 14 Grundschaltungen mit LEDs Transistoren und anderen Bauteilen.
Darüber hinaus kann sie mit geringem Aufwand so modifiziert werden dass zunächst beide LEDs gemeinsam aufleuchten ehe das abwechselnde Blinken beginnt. Wechsel Blinkerschaltungen Mit Dem Ne555 Elektronische. 3 pages - 124 MB Télécharger.
Sie ist kompakt kostengünstig und sie blendet sanft auf und ab. Zum Ausgleich hat R 20 nur 470 kΩ statt 1 MΩ. Erstere werden auch als polarisiert bezeichnet.
Wechselblinker Schaltung Mit NE555P Timer. Hier Wird Gezeigt Wie Ganz Einfach Eine Wechsel-Blinker-Schaltung Gesteckt WirdNachmachen Und GenießenSchritt 1. Vollständiger Schaltplan Anklicken zum Vergrößern Damit ist die Ampelsteuerung fertig.
Blinkerschaltung Ohne Transistoren Elektronische Basteleien. 797_a_CONRAD-x_xxxxxx-62 Bausätze Inhaltsverzeichnis 2006 0 Excel-Tabelle_2axls. Wer mit Kinder und Jugendlichen vor allem mit Jungs etwas wirklich kreatives und vor allem spanendes basteln möchte hat es oft nicht leicht.
Normalerweise leuchtet eine LED mit voller Leuchtkraft auf wenn sie eingeschaltet wird und geht auch schlagartig aus wenn sie wieder ausgeschaltet wird. Dieser Trick ist nur möglich weil stets mindestens einer der Operationsverstärker nach unten ausgesteuert ist. Notre base de données contient 3 millions fichiers PDF dans différentes langues qui décrivent tous les types de sujets et thèmes.
- Stabile Performance und hohe Präzision. Details Zu Simson S51 1 C 1 Kabel Baum Schaltplan Lichtmaschine 12v S70 Elektronik Zundung. LED-Lampe ohne IC Beschreibung Dieser Bausatz ersetzt eine kleine Taschenlampe.
Notices Utilisateur vous permet trouver les notices manuels dutilisation et les livres en formatPDF. Egal ob auf der Gartenparty im Hobbykeller auf der Terrasse unter der Dusche oder bei der Aby party dieses Lauflicht kommt immer gut an. Powerdynamo Produkthinweise Elektronischer Blinkgeber 95.
Φορητοί ασύρματοι πομποδέκτες vhf uhf ισχύος έως 10w μεγάλης εμβέλειας κατάλληλοι για κυνήγι αστυνομία πυροσβεστική στρατό ομάδες έρευνας και. Mit diesem Leds Panel erweckt ihr garantiert die Aufmerksamkeit jedes Besuchers und habt die Ideale Dekoration für jeden Anlass. Werkstatthandbuch Elektrische Ausrüstung Wissenswertes.
Schaltplan Ks 125 Bzw Blinkerrelaise Elektrik. Dann folgt eine UND Schaltung erst wenn die Türe geschlossen ist genug Wasser in der Trommel und die Heizung an ist kann der Motor anlaufen. Dann folgt eine ODER Schaltung es kann das Waschprogramm gewählt werden also 60 Grad oder kalt Wäsche oder ohne Schleudern usw.
Mit den hier gezeigten Schaltungen ist es möglich ein einspuliges Relais durch ein zweispuliges zu ersetzen und umgekehrt. Bereits in einem anderen Bausatz wurde ein DC-DC-Wandler verwendet der eine Spannung zwischen 12 und 15 V auf 36 bis 4 V wandelt. B003 Wechselblinker 612 V 345 B004 Telefon-Zweitklingel 1325 B005 Mücken- Floh- und Zeckenscheuche 545.
Trotzdem kommt es sogar in. Im Video beschreibe ich wie eine Speicherschaltung mit einem Relais funktioniert und früher in Bussen als Wagen hält-Leuchte eingesetzt wurdeRelais werden. - Standardgröße und einfache Installation.
Durch den ULN2804A ist jeder Ausgang mit 500 mA belastbar. In der Kooperation mit der Schule habe ich diesen Grundkurs Elektro Technik einmal angefangen. Bistabile Relais gibt es in zwei Ausführungen.
Diese Woche zeige ich eine einfache Blinkschaltung für Bahnübergänge. Umfangreiches genaues Inhaltsverzeichnis aller in wwwschaltungenat vorhandener Bausätze mit Schaltung und Bauteilliste und Printplatte in 797_a_CONRAD-x_CONRAD-Elektronik-Bausätze STAND 2013_6cxls alt bitte von wwwschaltungenat downloaden. 694_c_Appl-z_Bd04-Tl1-0390 Wechselblinker mit Groß-LEDs 12V U175 CD4017 2x16mmLEDs_1a 694_c_Appl-z_Bd04-Tl1-0390 Blitzblinker CD4007 U175 superhelleLEDws_1a 694_c_Appl-z_Bd04-Tl1-0392 Nachrüst-Zeitgebermodul für Eltako Ta PC817 4538 78L12 Eltako_1a.
Damit ist es möglich eine weiße sehr helle Leuchtdiode zu betreiben. Mza Schaltplan Farbposter 35x50cm Simson S51 S70 C 6v. Einfacher Led Blitzer Elektronische Basteleien.
Simson S51 Elektronik Schaltplan 12v By facybulka Posted on March 13 2014 123 views. Es beginnt mit einer anaus Schaltung dem Start. Simmipage De Der Simson Kult Lebt.
Materialliste Und SchaltplanEs Wird BenötigtStromquelle USB-TTL Modul 5V AusgangSteckbrett Jumper KabelTimer NE555PWiderstand 1K Oh. Manchmal hat man nicht das passende Relais zur Hand. Notices Livres Similaires.
Die Bauteile nach Schaltplan auf das Elektroniksteckbrett zum Testen setzen. Schaltungstricks mit bistabilen Relais.

Bauanleitungen 03 Wechselblinker Ohne Loten Youtube

Led Wechselblinker 12v Ne 555 Timer Ic Tester B1089 Smart Kit Bausatz Ludeke Elektronic
Led Wechselblinker Ultrahell Blau Lern Bausatz Mi Poti Und Gebohter Leiterplatte 96210pwblg Rec Lernmittel Aus Dem Odenwald

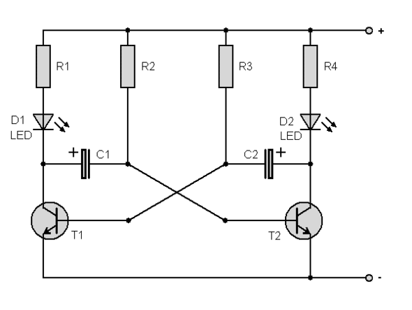
Umgekehrte Blinkschaltung Mit Gemeinsamen Minuspol Mit Npn Transistoren Pc Elektronik Led

7v 12v 24v Dc Blinker Wechselblinker Blinkgeber Max 1a 1 2hz Kemo Electronic M079e Ludeke Elektronic

Grundkurs Elektronische Schaltungen Diese Seit Ist Nicht Mehr Aktuell Ich Bin Auf Eine Neue Seite Umgezogen Besucht Mich Doch Bitte Unter Http Www Kreativekiste De Elektro Transistor Grundschaltungen Elektronik Verstehen Einfuhrung 14
1 Amv Wechselblinker Auf Knolles Elektronik Basteln Page Bauanleitungen Mit Schaltplan Platinenlayout

Lotkurs Mit Einer Blinkschaltung

7v 12v 24v Dc Blinker Wechselblinker Blinkgeber Max 1a 1 2hz Kemo Electronic M079e Ludeke Elektronic

Monostabiler Multivibrator Der Instabile Elektronische Schaltung Elektroniken Elektrotechnik

Led Wechselblinker 12v Ne 555 Timer Ic Tester B1089 Smart Kit Bausatz Ludeke Elektronic

Led Wechselblinker Bausatz Mit Poti Edunikum De Forschen Entdecken Verstehen Schulbedarf Lernspielzeug Lehrmittel

Blinker Wechselblinker 6v 16v B003 Kemo Bausatz Ludeke Elektronic

Bahnschranke Mit Andreas Kreuzen

Blinker Wechselblinker 6v 16v B003 Kemo Bausatz Elektronik Bausatze Bausatz Schaltkreis



