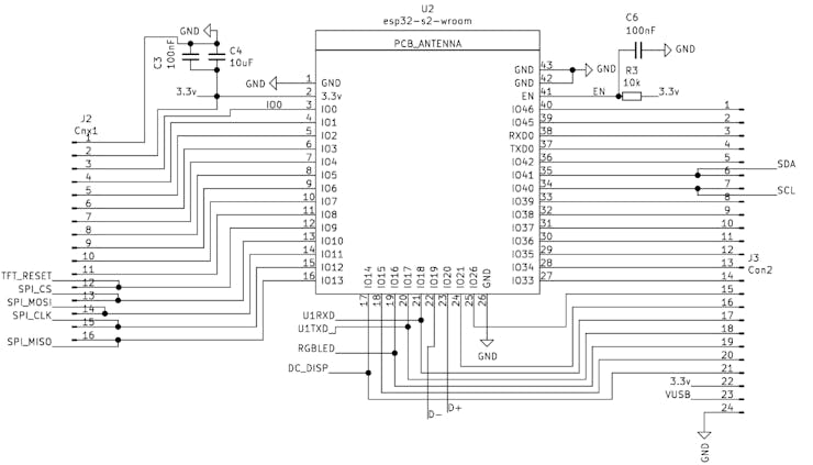
Esp32-s2-wroom Schematic
ESP32-S2-DevKit-Lipo is a development board with CH340 programmer with ultra low power capable to work on LiPo battery. 3 Pin Definitions 3 Pin Definitions 31 Pin Layout P c 2 R R O S P T IO2 U R Keepout Zone V S W T 9 U 10 V 11 W 12 IO9 13 IO10 14.

Github Eggsampler Esp32 S2 Breakout A Minimal Breakout Board For The New Esp32 S2 Wroom Module
Provide the users with the tools for development of.

Esp32-s2-wroom schematic. ESP32-WROOM-32 is a powerful generic Wi-FiBTBLE MCU module that targets a wide variety of applications ranging from low-power sensor networks to the most demanding tasks such. 26 rows This is the reference design of ESP32-S2 as provided by Espressif in the original. 0 576 Less than a minute.
Peripheral Schematics Figure 5. One popular ESP32 Development Board available today is the 30-pin version shown in the above image. ESP32-S2-DevKitM-1U This user guide provides information on Espressifs small-sized development board ESP32-S2-DevKitM-1U.
5 5 4 4 3 3 2 2 1 1 D D C C B B A A Auto program DTR RTS--EN IO0 IO2 1 1 1 1 1 0 0 1 1 1 1 0 0 1 1. 5x Dupont wire female on both sides you can get a set here. 3 Pin Definitions Note.
ESP32-S2-WROOM ESP32-S2-WROOM-I Datasheet v12. Admin May 7 2018. 1x ESP32-WROOM-32 also known as ESP32-F with PCB for it you can get one here.
ESP32-S2-WROVER ESP32-S2-WROVER-I Datasheet v11. The final goal is to deisgn an own board which makes use of the ESP32-WROOM32 module without all the stuff that is not needed USB. Ad Buy Electronic components Ic Module Transistor at UTSOURCE Factory price.
This board is based on ESP32-S2-WROOM module and has. A few changes were made from this schematic. The ESP32-S2-Kaluga-1 kit v13 is a development kit by Espressif that is mainly created to.
Small and convenient development board with. ESP32-S2-SOLO is a powerful generic Wi-Fi MCU modules that have a rich set of peripherals and pin-to-pin compatible with the ESP32-WROOM modules. Its an ideal choice for.
The initial design was taken from the ESP32-S2-WROOM ESP32-S2-WROOM-I Datasheet v05 section 6. ESP32-S2-DevKitM-1U is a general-purpose. For the actual mechanical.
ESP32 Core Board V2 ESP32 DevKitC Schematic Circuit Diagram. ESP32-S2 Module Boot RST Pin Header Connector x2 USB to UART USB TXRX DD- RGB LED Title Size Document Number Rev Date. Most of the IO pins are broken out to the pin headers on both sides for easy interfacing.
If you ask yourself how to. ESP32-S2-Saola-1 is a small-sized ESP32-S2 based development board produced by Espressif. 1 Block Diagram of ESP32-S2 3 2 ESP32-S2 Family Nomenclature 10 3 ESP32-S2 Pin Layout Top View 11 4 ESP32-S2 Family Power Scheme 15 5 ESP32-S2 Family Power-up and Reset.
The DTR and RTS control lines are in turn connected to GPIO0 and CHIP_PU EN pins of ESP32-S2 thus changes in the voltage levels of DTR and RTS will boot ESP32-S2 into Firmware. The pin diagram shows the approximate location of pins on the module. Sheet of 01_DesignBlock V12 ESP32-S2-Saola-1 C.
It consists of ESP-WROOM-32 as the baseboard and. Example schematic for ESP32-WROOM. Buy Electronic components IC Module Transistor at UTSOURCE.

Homely Wsn Basic Board V2 Esp32 S2 Easyeda Open Source Hardware Lab

Esp32 S2 Saola 1 Esp32 S2 Esp Idf Programming Guide Latest Documentation

Esp32 S2 Saola 1 Esp32 S2 Esp Idf Programming Guide Latest Documentation

Esp32 S2 Saola 1 Esp32 S2 Esp Idf Programming Guide Latest Documentation

This Esp32 S2 Development Board Looks Esp Ecially Fun To Play With Hackster Io

Esp32 S2 Solo Wi Fi Module Pcb Antenna Dfrobot Mouser

Esp32 S2 Saola 1 Esp32 S2 Esp Idf Programming Guide V4 2 Documentation

Esp32 S2 Pinout Specs And Arduino Ide Configuration 1 Renzo Mischianti

Esp32 S2 Wrover Wroom Minimal Dev Board Easyeda

Espressif Esp32 S2 Saola Breakout Board Easyeda

Esp32 Wroom 32dc Custom Board Timed Out Waiting For Packet Header R Esp32

Esp32 S2 Wroom Wrover Connecting Nrf24l01 Easyeda

Github Eggsampler Esp32 S2 Breakout A Minimal Breakout Board For The New Esp32 S2 Wroom Module
Esp32 On Twitter Esp32 S2 Saola 1 Is An Esp32 S2 General Purpose Development Board Based On Esp32 S2 Wrover Esp32 S2 Wrover I Esp32 S2 Wroom Or Esp32 S2 Wroom I With 4 Mb Flash And Pin Header Guide Https T Co Qrbuvoojc8 Schematic Https


