Vestel 17ips20 Schema
Contents of the free extensive collection of schematic diagrams and service manuals for Vestel TVs. Plus aucunes tensions apres celles ci.

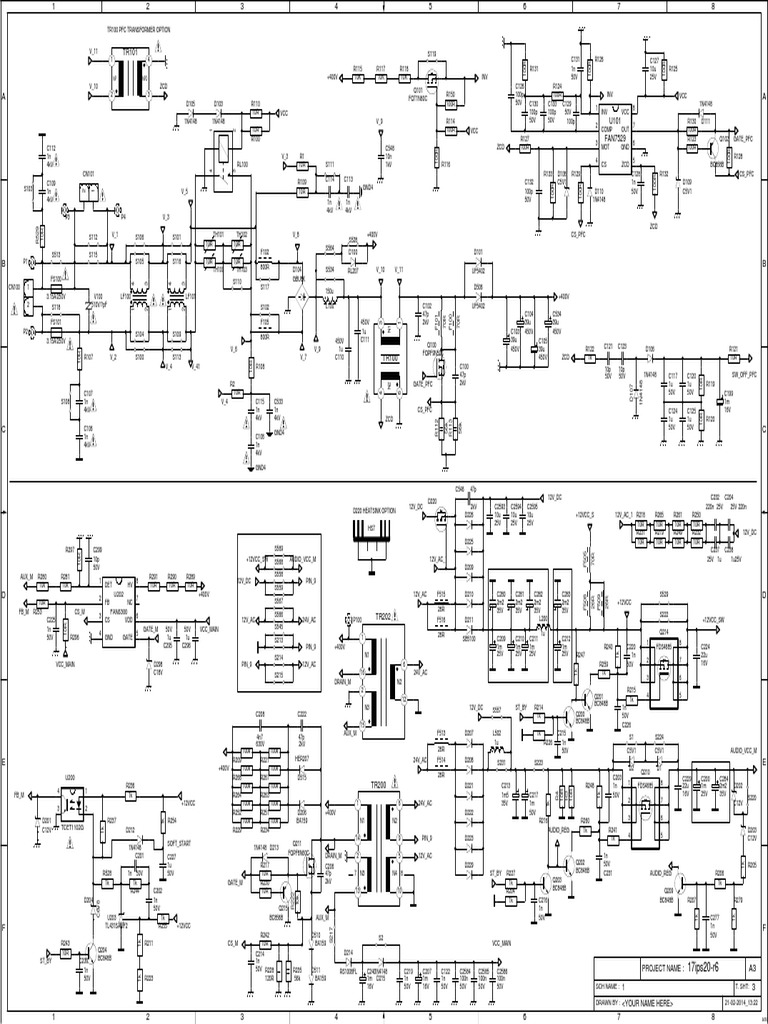
Master Electronics Repair Vestel 17ips20 Power Board Circuit Diagram Used With Toshiba Lcd Tv Lt 40dg51j
JVC LT-40DJ51J - Vestel 17IPS20 - LEDs very dim.

Vestel 17ips20 schema. HOW TO REPAIR SAMSUNG LCD TV PANEL SCREEN. Fulltext index 86 VESTEL MULTIVISION 5530 6330 -41 copy_0001djvu. Et donc plusieurs schémas avec plus ou moins de différences.
Ad Over 70 New. There are many repair kits available but unfortunately they will be of no use to you unless you make a correct fault diagnosis. Circuit Diagrams and PWB Layouts VEM11E LA 10.
Ce schéma et sur le lien que jai mis plus haut. -R5 -R6 -P5 etc. Please take a look at the below related repair forum topics.
Od používateľa zoltan19 26 Jún 2017 1822. Le premier problème cest quil existe plusieurs platines 17ips20. This Is The New ebay.
17IPS20 Vestel Power Supply RepairThis pcb came in for repair without any Television as the customer could not transport itBefore filming I replaced Q216 a. 2399 Ex Tax. Press chassis if you dont find model.
Je tam zdroj VESTEL 17IPS20. Service manuals users manual and schematic diagrams. Ahoj zomrel mi televízor Hyundai DLF 39285 obraz nie je zvuk je programy možno prepínať.
EN 29 2013-Oct-18 back to div. Yilmaz can 17ips20p-r5 1 2 28-03-2013_1426 1 2 3 4 5 6 7 8 a b c d e f axm 1 2 3 4 5 6 7 8 a b c d e f a3 sch name. Bol by som rád keby mi niekto poradil že kde merať aby som zisti či je zlý zdroj alebo niečo iné.
Jai pas tout a fait le bon schéma car mon alim est une 17ips20 r5 et jai le schéma de la r6. More than 150 Vestel TV Manuals for LCDLED TV. Circuit Diagrams and PWB Layouts 101 A 17ips61-3 26 to 40 LED Slim Integrated Power Supply.
Ad Secure your enterprise. Cn100 2 1 1n 4kv c115 c113 1n. Vestel 17IPS20 Power Board Circuit Diagram Used with Toshiba LCD TV LT-40DG51J Vestel 17IPS20P.
Repair Service for 17IPS20 23157811 TOSHIBA 48L1433DB VESTEL POWER SUPPLY Price. Le R9 est INtrouvable mais cela ont as deja dit sur autre Posts _____. In order to download the VESTEL TV Manual select the model that matches your device.
Mais avec Vestel rien nest simple. Hmm yeah deffo something wrong with Psu then normally if the Led booster mosfet or diode shorts then the Tv wont turn on at all. 11ak52 service manual vestel.
I will put an ebay link to the Ic. VESTEL 17MB60 LCD TV BOARD FUNCTIONS AND DESCRIP. It also produces power for the LED backlight and therefore if you have no backlight then this is the board to look for faults.
Discover the core of identity security. 1999 When purchasing a repair service you will need to send your item to us at the address here including your order number. Schema zdroja Vestel 17IPS20 orig.
PHILIPS 46PFL3706-F7 LCD TV POWER BOARD SCHEMA. Je commence par tester lalimentation et tout va bien jusquau pont de diodes. For this no need registration.
Repairs are generally completed within 2 working days If your item cannot be repaired we will return the item to you and the repair charge will be. You can see the list of models for VESTEL LEDLCD TVs below. Full Text Matches - Check Found in.
Doing it right has moved beyond human capacity. Il a lair bon mais dans le doute je le change quand même. It seems to be quite common on these Vestel PsuLed drivers.
If you have any question about repairing write your question to the Message board. 23155902 Odpovědět Zobrazit bez stromu Upozornit redakci 9 nových odpověd í. HOW TO ENTER THE ADJUSTMENT MODE SHARP.
VESTEL 17IPS172 17 IPS 172 17IPS17 17IPS17-2. Sounds like the controll Ic for the mosfet has failed. Model to Chassis VESTEL.
Représenté par 4 diodes. May be help you to repair. VESTEL chassis 11AK01 VESTEL chassis 11AK02 VESTEL chassis 11AK03 VESTEL chassis 11AK08 VESTEL chassis 11AK10 VESTEL chassis 11AK12 VESTEL chassis 11AK16 VESTEL chassis 11AK18 VESTEL chassis 11AK19 VESTEL chassis 11AK19B1 VESTEL.
The 17IPS20 is a power supply board for televisions manufactured by the VESTEL Corporation. Find vestel 17ips20 now. TV Repair schematics service manual and Repair tips.

Vestel 17ips20 R6 Sch Service Manual Download Schematics Eeprom Repair Info For Electronics Experts

Vestel 17ips20 R6 Psu Schematic Eljqk833kw41

Master Electronics Repair Vestel 17ips20 Power Board Circuit Diagram Used With Toshiba Lcd Tv Lt 40dg51j
Power Supply Inverter Vestel 17ips20 R6 Pdf

Vestel 17ips20 5p Sch Service Manual Download Schematics Eeprom Repair Info For Electronics Experts

Vestel 17ips20 R6 Sch Service Manual Download Schematics Eeprom Repair Info For Electronics Experts

Vestel 17ips20p R3 Sch Service Manual Download Schematics Eeprom Repair Info For Electronics Experts

Vestel 17ips20 R9 Sch Service Manual Download Schematics Eeprom Repair Info For Electronics Experts
Power Supply Inverter Vestel 17ips20 R6 Pdf
Vestel 17ips20 R6 Psu Schematic Pdf

Vestel 17ips20 R9 Sch Service Manual Download Schematics Eeprom Repair Info For Electronics Experts

Master Electronics Repair Vestel 17ips20 Power Board Circuit Diagram Used With Toshiba Lcd Tv Lt 40dg51j

Master Electronics Repair Vestel 17ips20 Power Board Circuit Diagram Used With Toshiba Lcd Tv Lt 40dg51j

Vestel 17ips20 R6 Sch Service Manual Download Schematics Eeprom Repair Info For Electronics Experts

Vestel 17ips20 5p Sch Service Manual Download Schematics Eeprom Repair Info For Electronics Experts

17ips20 Vestel Power Supply Repair Youtube

Master Electronics Repair Vestel 17ips20 Power Board Circuit Diagram Used With Toshiba Lcd Tv Lt 40dg51j
Master Electronics Repair Vestel 17ips20 Power Board Circuit Diagram Used With Toshiba Lcd Tv Lt 40dg51j
